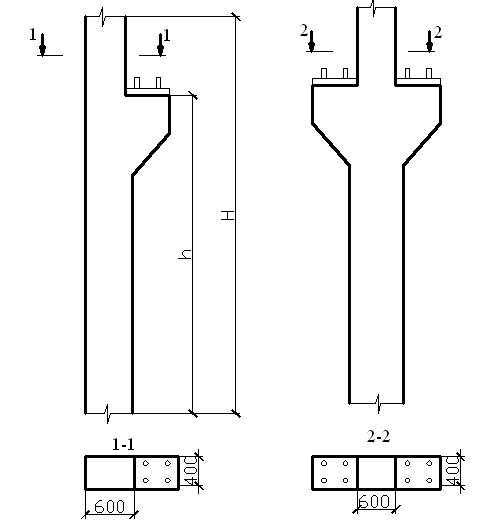
Колонна железобетонная 5к 84-4 из серии 1.424.1-5 предназначена для использования в строительстве зданий и сооружений. Она обладает высокой прочностью и устойчивостью к воздействию различных нагрузок, что делает ее идеальным выбором для создания надежных опорных конструкций. Колонна имеет стандартные размеры и форму, что облегчает ее монтаж и интеграцию в проект строительства.









